Salvează căutarea Adaugă anunț
Vei fi notificat de câte ori:

Electronice si electrocasnice second hand si noi - Bistrita-Nasaud

Filtre
Sortează
Filtre
Sortează

Cumpără cu livrare, direct din pagina anunțului. Vezi detalii

Anunțuri Anunțuri pe pagină: 20 50

Sursă Tv Philips 42PFL3604 12 (715G3474-3 Z-SIDE)
5

Sursă Tv Philips 42PFL3604 12 (715G3474-3 Z-SIDE)

VÂND SURSĂ TV -PHILIPS 42PFL3604-12 -715G3474-3 Z-SIDE Provine dintr-un TV cu DISPLAY-UL Spart Este testată și FUNCȚIONEAZĂ

Bistrita, Bistrita-Nasaud

715G5194-P02-W20-002M-Sursă TV PHILIPS 32 inch
5

715G5194-P02-W20-002M-Sursă TV PHILIPS 32 inch

Sursă Tv Philips 32PFL3517H --715G5194-P02-W20-002M Provine Dintr-un TV cu Display-ul Spart Este testată și FUNCȚIONEAZĂ Ofer MONTAJ la Bistrița

Bistrita, Bistrita-Nasaud

VÂND Piese TV (NOI) SMD;Circuite Integrate;Tranzistori;Diode, etc.
8

VÂND Piese TV (NOI) SMD;Circuite Integrate;Tranzistori;Diode, etc.

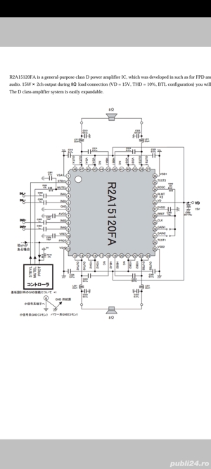
VÂND PIESE TV (smd): NOI -Circuite integrate: -R2A15120FA-AUDIO Amplificator=30 lei -LD7530R (6pini)-PWM Controller= 6 lei -LD7537R (6pini)-PWM Controller= 5 lei -LD7576GS (8pini)-PWM Controller= 8 lei -PF6005AG (6pini)-PWM Controller= 10 lei -PF6005AS (8pini)-PWM Controller = 12 lei -OB2273MP (6pini)-PWM ...

Bistrita, Bistrita-Nasaud

BN 44-00873B-Sursă Tv Samsung UE65MU6675U
5

BN 44-00873B-Sursă Tv Samsung UE65MU6675U

Sursă Tv Samsung UE65MU6675U -BN 44-00873B Compatibilă cu Placă Bază -BN41-02568A și Display: CY-VM065HGAV02H și Barete Laterale 2Buc 78 Leduri Provine dintr-un Tv Cu Display-ul Spart în Magazin Este testată și FUNCȚIONEAZĂ Ofer MONTAJ la Bistrița Contact:

Bistrita, Bistrita-Nasaud

T.con Tv Akai 50 inch- CTV5035  -cod. TT 4851B01-2C-3
5

T.con Tv Akai 50 inch- CTV5035 -cod. TT 4851B01-2C-3

T.con Tv-- AKAI CTV 5035 Compatibil cu Display -DU49-1000 si Placă de Bază --CV 6338-T50 Provine dintr-un TV cu Displayul spart în MAGAZIN Este testat și FUNCȚIONEAZĂ

Bistrita, Bistrita-Nasaud

BARETE LED-Kit 11buc-Vestel 650LED A-Type Rev 0.2 și B-Type Rev.0.2.
5

BARETE LED-Kit 11buc-Vestel 650LED A-Type Rev 0.2 și B-Type Rev.0.2.

KIT 11 buc-Barete Led Vestel -650LED -A Type Rev 0.2=10Buc -650LED -B Type Rev 0.2=1Buc 705 14 mm Provin dintrun Tv Finlux 65 inch cu Display-ul Spart in Magazin Sânt probate și FUNCȚIONEAZĂ Ofer MONTAJ la Bistrița

Bistrita, Bistrita-Nasaud

Barete LED TV VORTEX-LEDV32TD1210(2Buc 5Led)
4

Barete LED TV VORTEX-LEDV32TD1210(2Buc 5Led)

BARETE LED TV VORTEX LEDV32 TD1210 -2Buc 5Led (564 cm) -la 6 Volți /Led Sunt Aproape NOI SUNT TESTATE și FUNCȚIONEAZĂ

Bistrita, Bistrita-Nasaud

PIESE TV SAMSUNG UE 40NU7122K
5

PIESE TV SAMSUNG UE 40NU7122K

VÂND: PLACĂ BAZĂ:BN9646783A=S-a VÂNDUT Compatibilă cu DISPLAY -CY-NN040HGLV3V -Modul WI-FI = 40 LEI -BN5901308A Moel WDN221M -PICIOARE TV=50 LEI Provine Dintr-un TV cu Display-ul Defect Este testată și FUNCȚIONEAZĂ Se vede în Poze

Bistrita, Bistrita-Nasaud

Placă Bază  SMART TV Panasonic TX-55DSU501(Cod TNP4G592 1A)
5

Placă Bază SMART TV Panasonic TX-55DSU501(Cod TNP4G592 1A)

PLACĂ BAZĂ TV PANASONIC TX-55DSU501 -Cod Placă: TNP4G592 1A Pentru Tv Panasonic 55 inch Compatibilă Pentru Tv MODELE TX... Cu Display: 24;32;40;49;55 inch care au T.con LG MODELELE TV sunt date în Poză Este testată și FUNCȚIONEAZĂ A se vedea în poză

Bistrita, Bistrita-Nasaud

TNP4G592 1A-PLACĂ BAZĂ SMART Tv Panasonic TX-55DSU501
5

TNP4G592 1A-PLACĂ BAZĂ SMART Tv Panasonic TX-55DSU501

PLACĂ BAZĂ TNP4G592 pentru TV PANASONIC TX-55DSU501 Compatibilă Pentru Tv -PANASONIC TX...32;40;49;55 inch cu T.CON LG (V15-FHD_DRD non-scaning)(6870C-0532B) MODELELE de Tv sunt date în POZĂ Este testată și FUNCȚIONEAZĂ A se vedea în Poză

Bistrita, Bistrita-Nasaud

T.con PH 120PSQBC4L V1.0(PHILIPS 40PFL5507K 12)
4

T.con PH 120PSQBC4L V1.0(PHILIPS 40PFL5507K 12)

Vând T.con:PH 120PSQBC4L V1.0 pentru TV PHILIPS 40;43;46;55"PFL5500-5507K 12 -PROVINE dintr-un TV cu Display-ul Defect. Se vede în Poze.

Bistrita, Bistrita-Nasaud

TCL32D05-ZC12AG-24-Barete led TV VORTEX LEDV-32TD1210
7

TCL32D05-ZC12AG-24-Barete led TV VORTEX LEDV-32TD1210

BARETE LED TV-VORTEX LEDV-32TD1210 Cod: -TCL32D05-ZC22AG-24 Kit 2 Buc 5 LED(6V/Led) -564 13mm Sunt Aproape NOI Provin dintr-un Tv Cu Display-ul Spart Sunt TESTATE și FUNCȚIONEAZĂ

Bistrita, Bistrita-Nasaud

Barete led Tv Samsung UE43NU7022K(43'' NEW EDGE-28ea-180223-7020
4

Barete led Tv Samsung UE43NU7022K(43'' NEW EDGE-28ea-180223-7020

Barete Led TV Samsung UE43NU7022K Cod BARETE: -43''NEW EDGE-28ea-180223-7020 PRODUS NOU -SET 2Buc 28Led

Bistrita, Bistrita-Nasaud

Barete Led TV HISENSE32A4BG-CRH-BX32X1H3  REV 1.1
4

Barete Led TV HISENSE32A4BG-CRH-BX32X1H3 REV 1.1

BARETE Led TV: HISENSE32A4BG Cod: CRH-BX32X1H3 REV1.1 2 5 Led (537cm) Provin dintr-un Tv NOU cu Display-ul Spart A funcționat 2 luni Sunt TESTATE și FUNCȚIONEAZĂ

Bistrita, Bistrita-Nasaud

CRH-CG32DF3  REV.1.0-BARETE LED ptr.TV Allview 32ePlay6100
4

CRH-CG32DF3 REV.1.0-BARETE LED ptr.TV Allview 32ePlay6100

BARETE LED TV: -ALLVIEW 32ePlay6100 Cod: -CRH-CG32DF3 REV 1.0 2 Barete 7Led -545mm Provin dintr-un Tv Cu Display-ul Spart Sunt Aproape NOI Sunt TESTATE și FUNCȚIONEAZĂ Contact:

Bistrita, Bistrita-Nasaud

GJ-2K15 D2P5 D307-V1(LB-PM3030-GJD2P53153 7AHE2-T)PHILIPS 32"
4

GJ-2K15 D2P5 D307-V1(LB-PM3030-GJD2P53153 7AHE2-T)PHILIPS 32"

Barete Led Cod. -GJ-2K15 D2P5 D307-V1 sau -LB-PM3030-GJD2P53153X7AHE2-T pentru -TV-LG32LJ590U+LG32LJ500+ +LG32LH500D -TV PHILIPS: -32PHS5301 12 -32PHH4200 88 -32PHH4100 -32PHH4309 -32PHH4509 -32PHT4100 -32PHT4201 -32PFH4200 -32PFH4309 -32PFT4100 -32PFT5500 -32PHS4032 -32PHS4132 -32PFS5500 Povin ...

Bistrita, Bistrita-Nasaud

LED42D11-ZC52AG-02-Barete Led Allview 42ePlay 6000
5

LED42D11-ZC52AG-02-Barete Led Allview 42ePlay 6000

Barete Led pentru TV -Allview 42ePlay 6000 Cod: -LED42D11-ZC52AG-02 2Barete 11Leduri8 Tv ul a funcționat 6 luni Sunt TESTATE și FUNCȚIONEAZĂ Contact.

Bistrita, Bistrita-Nasaud

2015 SVS F_COM32HD L5 Rev.1.4--Barete led TV SAMSUNG UE 32J4000AW
7

2015 SVS F_COM32HD L5 Rev.1.4--Barete led TV SAMSUNG UE 32J4000AW

Barete led ptr.TV Samsung UE 32J4000AW 2Buc 5 Leduri Îndoite Cod: 2015 SVS F-COM32 HD L5 Rev.1.4 ( LM 41-00133A_LM 41-00148A) Provin dintr-un Tv Cu Display-ul Spart A funcționat Foarte puțin Sunt Testate și FUNCȚIONEAZĂ Se vede în poză Ofer MONTAJ la Bistrița

Bistrita, Bistrita-Nasaud

Barete Led TV HORIZON 55HL7530UB(Smart)
4

Barete Led TV HORIZON 55HL7530UB(Smart)

Barete Led TV HORIZON 55 HL7530UB JL.D550B1330-078CS-M_V01 Kit 4 BARETE LED A Type= 2Buc 11 Led B Type= 2Buc 12 Led Provin dintr-un Tv Cu Display-ul Spart Sunt Testate și FUNCȚIONEAZĂ Contact

Bistrita, Bistrita-Nasaud

Barete Led TV HISENSE32A4BG-CRH-BX32X1H3  Rev.1.1
7

Barete Led TV HISENSE32A4BG-CRH-BX32X1H3 Rev.1.1

BARETE LED CRH-BX32X1H3 Rev 1.1 pentru TV HISENSE 32A4BG 2Buc 5 Led(540 13mm)3V Led Provin dintr-un Tv NOU cu Display-ul Spart Sunt TESTATE și FUNCȚIONEAZĂ

Bistrita, Bistrita-Nasaud

Electronice second hand și noi, descoperă cele mai bune anunțuri pentru telefoane și gadgeturi

Categoria Electronice este universul tău digital într-un singur loc. Publi24.ro îți oferă acces la mii de anunțuri de telefoane, televizoare, electrocasnice, aparatură și dispozitive esențiale. Fie că ești în căutarea celui mai recent smartphone, vrei să-i faci un upgrade calculatorului de gaming sau cauți electrocasnice pentru locuința ta, aici găsești anunțuri de la vânzători din toată țara. Această secțiune este cea mai dinamică de pe site-ul nostru, conectând pasionații de tehnologie cu oportunități de a cumpăra produse noi, sigilate, sau de a găsi electronice second hand în stare perfectă, la prețuri imbatabile. Explorează subcategoriile noastre și filtrează rezultatele pentru a găsi rapid, produsul dorit.

De la mobilitate și productivitate la divertisment digital

În epicentrul vieții moderne se află mobilitatea și conexiunea. De aceea, subcategoria de telefoane mobile este una dintre cele mai vizitate, oferind o selecție vastă de smartphone-uri de ultimă generație, dar și modele mai accesibile. Alături de acestea, secțiunea de laptop și cea de tablete răspund nevoilor de productivitate și portabilitate. Fie că ai nevoie de un laptop performant pentru muncă sau școală, sau de o tabletă pentru browsing și media, ofertele sunt la doar un click distanță. Pentru pasionații de tehnologie la purtător, categoria smartwatch aduce cele mai noi ceasuri inteligente care îți monitorizează sănătatea și te țin conectat.

Pentru cei care preferă puterea brută și experiențele de top, avem subcategoriile dedicate de calculatoare și Console/Jocuri. Aici poți construi, vinde sau cumpăra PC-uri desktop, sisteme de gaming, componente (procesoare, plăci video) și periferice. Secțiunea de console este paradisul gamerilor, cu anunțuri pentru cele mai noi console, accesorii și o bibliotecă vastă de jocuri video pentru toate platformele.

Casa ta vonectată și echipamente specializate

Nicio locuință modernă nu este completă fără aparatura potrivită. Subcategoria electrocasnice acoperă totul, de la aparatură frigorifică și mașini de spălat, la roboți de aspirare, espressoare de cafea și mixere. Pentru divertismentul de acasă, secțiunea de Televizoare îți aduce cele mai noi modele Smart TV, 4K sau 8K, completate perfect de ofertele din Audio/Video, unde găsești sisteme home cinema, soundbar-uri, boxe portabile și echipamente Hi-Fi.

Am acoperit și nevoile specializate. Pasionații de fotografie vor găsi în Aparate foto o gamă largă de DSLR-uri, aparate mirrorless, obiective și accesorii. Pentru șoferi, categoria Echipamente auto include navigații GPS, sisteme multimedia, camere de bord și detectoare radar. În plus, punem accent pe sănătate prin subcategoria Aparate medicale, unde poți găsi tensiometre, glucometre, termometre digitale și alte dispozitive de monitorizare a stării de sănătate.

Accesorii esențiale și alte aparate electronice

Detaliile fac diferența, iar în categoria Accesorii electronice găsești exact ceea ce îți lipsește pentru a completa experiența. De la huse și folii pentru telefoane mobile, la încărcătoare, cabluri, baterii externe, căști wireless și mouse-uri. Această secțiune este vitală pentru funcționalitatea optimă a tuturor gadget-urilor tale. În final, subcategoria Alte aparate acționează ca o umbrelă pentru toate acele dispozitive inovatoare care nu se încadrează strict în celelalte secțiuni – drone, gadget-uri smart home, imprimante 3D și multe altele. Indiferent ce cauți sau ce dorești să vinzi, platforma noastră îți oferă vizibilitatea și instrumentele necesare pentru o tranzacție rapidă și sigură.

Mai mult
Mai puțin
Salvează căutarea