Modul încărcare baterii auto-moto 12-24Vcc 4-120Ah

30 RON
Valabil din 3/27/2026 11:10:01 AM
Specificații
Descriere
Specificații tehnice:
Tensiune de intrare: 10V - 30V DC;
Precizie afișaj: 0.1V DC;
Precizie control: 0.1V DC;
Ideală pentru acumulatori auto 12V - 24V DC 4-120Ah

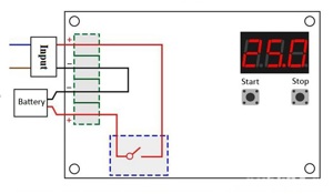
Instrucțiuni de utilizare:

Setarea tensiunii de pornire:
- Apăsați scurt butonul START pentru a afișa tensiunea de la care se începe încărcarea acumulatorului;
- Mențineți apăsat 3 secunde butonul START pentru a intra in modul de setare a tensiunii de pornire. Afișajul va începe sa pâlpâie, iar acum prin intermediul butoanelor START si STOP veti putea sa reglati tensiunea.

Setarea tensiunii de oprire:
- Apăsați scurt butonul STOP pentru a afisa tensiunea de la care se opreste încărcarea acumulatorului;
- Mențineți apăsat 3 secunde butonul STOP pentru a intra in modul de setare a tensiunii de oprire. Afisajul va incepe sa palpaie, iar acum prin intermediul butoanelor START si STOP veti putea sa reglati tensiunea.

Revenirea la setările din fabrica:
- Apăsați simultan ambele butoane START si STOP, dupa care pe afisaj va aparea textul "888". Acum, setările au fost resetate.

Modulul a fost testat și funcționează corect!

Predare personală în Suceava sau trimit prin curier cu verificare colet (la comandă prin Publi24).

ID anunț: 1669553438

Raportează
Fă ofertă

Anunțuri recomandate

Contactează vânzătorul
Pentru a reduce riscul mesajelor de tip spam, adresele de email nu sunt permise in mesagerie.
Caractere rămase: 3000
Adaugă fișier
? Fișiere acceptate: jpg, jpeg, png, doc, pdf, txt, xls, docx, xlsx, odt, heic, heif, cu o mărime maximă de 10Mb.