Contor electric monofazic digital 80A

415 RON negociabil
Valabil din 4/1/2026 11:15:20 PM
Specificații
Descriere
Pretul nu-l voi reduce in timp ca nu ma grabesc sa-l vand, geaba salvati in favorite crezand ca-l scad, normal il cresc constant
Doar 415 lei negociabil oricum valoreaza mai mult de atat
Nu-l trimit cu ramburs
Care vor sa-mi vanda ori isi dau cu parerea sau compara cu alte oferte ignor si blochez
Rog nu mai insistati cu schimburi, se vinde exact ce se vede si ca vanzator privat exclud garantia si returnarile
Articol valabil cat e vizibil

Contor electric monofazic digital 80A
Model profesional ENERLUX p, Afisaj LCD, 1000 imp KWh, 230V, 5(80)A, 50Hz, Cl.1 aem RO
Cumparate NOI in urma cu cativa ani doar ca acesta la ultima verificare nu mai pornea, probabil trebuie resetat
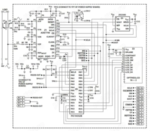
Pentru cine are abilitati sa-l porneasca, sau de piese, astfel l-am desfacut sa se vada ca este complet si nu este ars nimic in el asa ca am atasat foto si cu schema lui electronica doar pentru cunoscatori
Oricum piesele lui depasesc pretul afisat, dar nu se gasesc
Ultima bucata din 6 identice ramase de la un proiect care l-am abandonat fara sa le folosesc, iar restul vandut la pret ceva mai mare de atat

ID anunț: 1760902846

Raportează
Fă ofertă

Anunțuri recomandate

Contactează vânzătorul
Pentru a reduce riscul mesajelor de tip spam, adresele de email nu sunt permise in mesagerie.
Caractere rămase: 3000
Adaugă fișier
? Fișiere acceptate: jpg, jpeg, png, doc, pdf, txt, xls, docx, xlsx, odt, heic, heif, cu o mărime maximă de 10Mb.

EXCELENT - 17 evaluări

Cei mai mulți utilizatori ar descrie experiența cu acest utilizator ca fiind foarte bună